Vrata, brány, motory, komponenty
Firma
Reference
Kontakt
www.apstin.cz
www.site-proti-hmyzu.cz
www.vertikalni-horizontalni-zaluzie.cz
Vrata
Sekční
Výklopná
Rolovací
Brány
Samonosné
Posuvné
Křídlové
Motory
Na garážová vrata
Na samonosné, posuvné brány
Na křídlové brány
Příslušenství
Komponenty
Na garážová vrata
Na samonosné, křídlové brány
Katalog
Napište nám
Objednávka
Ceník
Sekční vrata
[
sekční vrata
] [
přehled motivů sekčních vrat
]
Privátní vrata
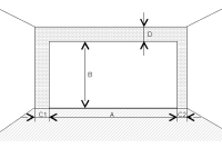
Stavební a zaměřovací připravenost pro privátní vrata
A = čistá šířka stavebního otvoru v mm
B = čistá výška stavebního otvoru v mm
D = nadpraží
C1 / C2 = ostění
Elektrická připravenost pro vrata privátní
A = zvonkový vypínač 24 v 2* 1 mm (zvonkový kabel)
B1 = foto buňky 24v (není podmínkou) 4* 0,8 mm
Motor 230 v (od středu vrat 0,4 m elektrickou zásuvku 230V)
Kolejnicové systémy
© 2008 - 2026 IMFsoft, s.r.o.